D343Y、D343H型雙偏心四氟蝶閥PN6~PN40
D343Y、D343H型雙偏心四氟蝶閥安裝在石油、化工、食品、醫藥、輕紡、造紙、水電、船舶、供排水、冶煉等系統中,在一切具有腐蝕性、非腐蝕性的氣體、液體、半流體及固體粉未管線和容器上作為調節和截流使用,可在任意位置安裝。
產品說明
D343Y、D343H型雙偏心四氟蝶閥安裝在石油、化工、食品、醫藥、輕紡、造紙、水電、船舶、供排水、冶煉等系統中,在一切具有腐蝕性、非腐蝕性的氣體、液體、半流體及固體粉未管線和容器上作為調節和截流使用,可在任意位置安裝。
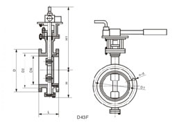
結構尺寸
D343Y、D343H型雙偏心四氟蝶閥PN6~PN40外形結構尺寸
| 公稱通徑DN(mm) | 尺寸 (mm) | ||||||
| L | 1.0MPa | 1.6MPa | |||||
| D | D1 | Z-Φd | D | D1 | Z-Φd | ||
| 50 | 108 | 165 | 125 | 4-18 | 165 | 125 | 4-18 |
| 65 | 112 | 185 | 145 | 4-18 | 185 | 145 | 4-18 |
| 80 | 114 | 200 | 160 | 8-18 | 200 | 160 | 8-18 |
| 100 | 127 | 220 | 180 | 8-18 | 220 | 180 | 8-18 |
| 125 | 140 | 250 | 210 | 8-18 | 250 | 210 | 8-18 |
| 150 | 140 | 285 | 240 | 8-22 | 285 | 240 | 8-22 |
| 200 | 152 | 340 | 295 | 8-22 | 340 | 295 | 12-22 |
| 250 | 165 | 395 | 350 | 12-22 | 405 | 355 | 12-26 |
| 300 | 178 | 445 | 400 | 12-22 | 460 | 410 | 12-26 |
| 350 | 190 | 505 | 460 | 16-22 | 520 | 470 | 16-26 |
| 400 | 216 | 565 | 515 | 16-26 | 580 | 525 | 16-30 |
| 450 | 222 | 615 | 565 | 20-26 | 640 | 585 | 20-30 |
| 500 | 229 | 670 | 620 | 20-26 | 710 | 650 | 20-33 |
| 600 | 267 | 780 | 725 | 20-30 | 840 | 770 | 20-36 |
| 700 | 292 | 895 | 840 | 24-30 | 910 | 840 | 24-36 |
| 800 | 318 | 1015 | 950 | 24-33 | 1025 | 950 | 24-39 |
尺寸圖

安裝注事事項
1、安裝前應核對蝶閥規格、壓力、溫度、耐腐性是否滿足使用要求。 應檢查各零部件是否損壞或松動。
2、本蝶閥可安裝在任意角度的管道上,應關閉安裝為宜;焊接管道法蘭時應將閥門密封口用板擋住以防止顆粒、雜物挫傷密封面,焊后取下 閥門,對閥門密封面及管道內腔進行清潔,然后再安裝固定閥門。
3、安裝時請注意閥門關閉狀態承壓方向。
4、安裝前應將密封面(兩端密封面、蝶板密封面、閥座密封面)徹底擦干凈,去掉灰塵和污物。
5、安裝前應空試蝶閥,啟閉應靈活,啟閉位置與指針指示位置相符合。
6、手動操作順時針為關,逆時針為開,指針指示到位后不準再加力啟閉閥門。
7、閥門做壓力試驗時,不準用單法蘭進行安裝試壓,必須采用雙法蘭安裝試壓。其試驗壓力應符合GB/T13927-92標準規定。
8、緊固螺栓時應對稱交替進行緊固,不準依次單獨緊固。
9、限位螺釘出廠前,已經調好,不準輕易調整。若配置驅動裝置為電動、氣動請閱配套驅動裝置說明書。
10、電動蝶閥出廠時已將控制機構的啟閉行程調好。為防止電源接通時方向搞錯,用戶在第一次接通電源前要先手動開啟至半開位置,再按點動開關,檢查指示盤方向與閥門開啟方向一致即可。
11、發現閥門啟閉失常應查明原因進行修理和排除,防止用加力方法開關閥門,造成閥門的損壞。
|
||||||||||||||||||||||||
![]() |
||||||||||||||||||||||||
| ||||||||||||||||||||||||









